В сентябре 2025 года компания Дефортис-Дис осуществила отгрузку производительных насосных агрегатов производства МЗ Поток для решения задач водоотлива на разрезе «Правобережный».
ООО «Дефортис-Дис» продолжает успешное сотрудничество с компанией СУЭК.
На склад компании СУЭК (разрез «Правобережный») отгружены два высокопроизводительных насосных агрегата, изготовленные при участии инженеров ООО «Дефортис-Дис». Оборудование будет задействовано в системе водоотлива, одной из ключевых для безопасности и бесперебойности горных работ.
«Сибирская угольная энергетическая компания» (СУЭК) — крупнейшая угольная компания в России и одна из ведущих угольно-энергетических компаний в мире, входит в пятерку крупнейших поставщиков угля на мировой угольный рынок. Компания основана в 2001 году, штаб-квартира в Москве с подразделениями в регионах. Полное официальное наименование — Акционерное общество «Сибирская угольная энергетическая компания» (АО «СУЭК»)
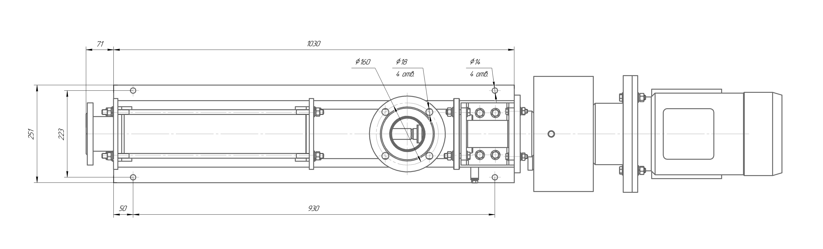
Ключевые характеристики поставленных насосных агрегатов:
- Мощность электродвигателя: 250 кВт.
- Производительность: до 800 м³ воды в час.
- Напор: до 160 метров.
- Конструкция: насос и двигатель смонтированы на единой жесткой раме, что обеспечивает простоту транспортировки и монтажа.
Точность и эффективность для технологии сгущения
Также в мае 2025 года Компания Дефортис-Дис завешила поставку в СУЭК 18 единиц специализированных винтовых насосных агрегатов. Их назначение – точная дозировка и перекачка флокулянта в процессе сгущения. Все агрегаты оснащены частотно-регулируемыми приводами (ЧРП), что позволяет гибко управлять производительностью и оптимизировать расход реагентов.
Разработка и поставка надежного оборудования для такого крупного промышленного предприятия, как СУЭК, подтверждает высокий уровень и профессионализм команды Дефортис-Дис и подтверждают способность закрывать широкий спектр потребностей промышленных предприятий – от обеспечения базовой инфраструктуры до оснащения сложных технологических линий.


English
中文





